وصف المنتج
أكياس هواء مطاطية شديدة التحمل قابلة للتخصيص بحجم وسادة هوائية بحرية لإطلاق السفن
مقدمة من وسادة هوائية مطاطية لسفينة رفع بالون
أصبحت الوسائد الهوائية المطاطية الخاصة بهبوط السفن ، والمعروفة أيضًا باسم الوسائد الهوائية البحرية ، والوسائد الهوائية لرسو السفن ، وبالونات هبوط السفن ، والوسائد الهوائية ماري ، وسيلة ملائمة لإطلاق السفن في بعض أحواض بناء السفن ، خاصةً حيث لا يوجد ممر.في الوقت الحاضر ، يتم استخدامه على نطاق واسع في إطلاق السفن ، ومناولة الأشياء الثقيلة ، وإنقاذ المياه.




تفاصيل المنتج

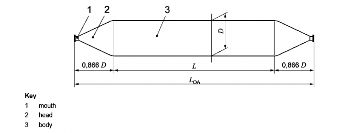
بعض الأحجام العادية للوسادة الهوائية المطاطية البحرية لدينا ، تتوفر أيضًا أحجام مخصصة
|
القطر (م)
|
الطول الفعال (م)
|
طبقة
|
الضغط (ميجا باسكال)
|
|
1.0
|
10
|
5 ~ 6
|
0.07 ~ 0.10
|
|
1.0
|
12
|
5 ~ 6
|
0.07 ~ 0.10
|
|
1.0
|
15
|
5 ~ 6
|
0.07 ~ 0.10
|
|
1.2
|
10
|
5 ~ 6
|
0.08 ~ 0.12
|
|
1.2
|
12
|
5 ~ 6
|
0.08 ~ 0.12
|
|
1.2
|
15
|
5 ~ 6
|
0.08 ~ 0.12
|
|
1.5
|
12
|
5 ~ 8
|
0.08 ~ 0.16
|
|
1.5
|
15
|
5 ~ 8
|
0.08 ~ 0.16
|
|
1.5
|
18
|
5 ~ 8
|
0.08 ~ 0.16
|
|
1.5
|
20
|
4 ~ 8
|
0.08 ~ 0.16
|
|
1.5
|
24
|
5 ~ 8
|
0.08 ~ 0.16
|
|
1.8
|
12
|
5 ~ 8
|
0.08 ~ 0.15
|
|
1.8
|
15
|
5 ~ 8
|
0.08 ~ 0.15
|
|
1.8
|
18
|
5 ~ 8
|
0.08 ~ 0.15
|
|
1.8
|
20
|
5 ~ 8
|
0.08 ~ 0.15
|
|
1.8
|
24
|
5 ~ 8
|
0.08 ~ 0.15
|
|
2.0
|
18
|
6 ~ 10
|
0.08 ~ 0.18
|
|
2.0
|
20
|
6 ~ 10
|
0.08 ~ 0.18
|
|
2.0
|
24
|
6 ~ 10
|
0.08 ~ 0.18
|
|
2.5
|
18
|
7 ~ 10
|
0.07 ~ 0.13
|
|
2.5
|
20
|
7 ~ 10
|
0.07 ~ 0.13
|
|
2.5
|
24
|
7 ~ 10
|
0.07 ~ 0.13
|
هيكل وسادة هوائية لهبوط السفن المطاطية
1) طبقة المطاط الخارجية
الطبقة المطاطية الخارجية التي تغطي السطح الخارجي للوسادة الهوائية البحرية للحماية تحت الطبقات من التآكل والقوى الخارجية الأخرى.هذا المركب لديه قوة شد وتمزق كافية لتحمل أي ظروف واستخدام صعب.
2) طبقة المطاط الداخلية
تقوم الطبقة المطاطية الداخلية بإغلاق الهواء المضغوط داخل الوسائد الهوائية البحرية.
3) طبقة حبل الإطارات الاصطناعية كتعزيز
يتم ترتيب طبقات أسلاك التعزيز ، المصنوعة من سلك إطار صناعي شائع الاستخدام في الإطارات ، بزوايا مثالية للحفاظ على الضغط الداخلي وتوزيع الضغط بالتساوي.حتى يتمكنوا من توفير تعزيزات قوية وفعالة.
يتم تصنيع الوسادة الهوائية من Henger بـتقنية توأمة متكاملة فريدة من نوعها.سماكة جدار الوسادة الهوائية موحدة مع التماس الثانوي في الوصلة المتداخلة.عند التدحرج في مسار السفينة المنحدر وغير المستوي ، تساعد الوسادة الهوائية المرنة في تقليل إجهاد الهيكل ومخاطر إطلاق السفن.
قد تؤدي ظاهرة التشوه الشديد إلى تشوه طبقات الوسادة الهوائية ، ثم تتسبب في حوادث أكثر خطورة.
ظاهرة التشويه الخطيرة هذه في عملية إطلاق السفن لم تحدث أبدًا لـ Henger Marine Airbags


ميزات الوسادة الهوائية المطاطية لرسو السفن الجاف
1. قدرة تحمل كبيرة
2. قدرة عالية ضد الضغط والتواء
3. تصميم جديد للهيكل المضاد للانفجار في النهاية
4. التخطيط الهيكلي الأمثل
5. مقاومة الشيخوخة المعمرة وخصائص مكافحة التآكل
6. قدرة عالية على التحمل والتخميد.